

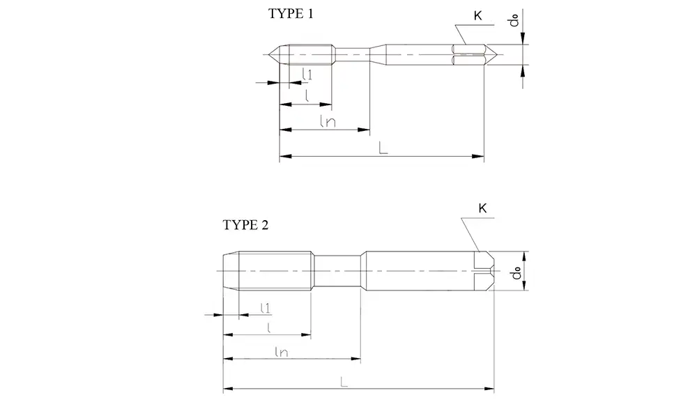
| Thread Size | TYPE | Pitch | L Overall length |
l Thread Length |
l1 Cutting Length |
ln Length to neck |
d₀ Shank diameter |
K Square size |
FLUTES |
| M3 | 1 | 0.5 | 56 | 11 | 4.5P | 18 | 3.5 | 2.7 | 3 |
| M4 | 1 | 0.7 | 63 | 13 | 4.5P | 21 | 4.5 | 3.4 | 3 |
| M5 | 1 | 0.8 | 70 | 16 | 4.5P | 25 | 6.0 | 4.9 | 3 |
| M6 | 1 | 1.0 | 80 | 19 | 4.5P | 30 | 6.0 | 4.9 | 3 |
| M8 | 2 | 1.25 | 90 | 22 | 4.5P | 36 | 8.0 | 6.2 | 3 |
| M10 | 2 | 1.5 | 100 | 24 | 4.5P | 39 | 10.0 | 8.0 | 3 |


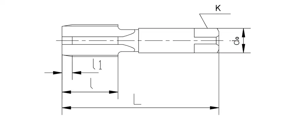
| Thread Size | Pitch | L Overall length |
l Thread Length |
l1 Cutting Length |
d₀ Shank diameter |
K Square size |
FLUTES |
| M8 | 1.25 | 90 | 22 | 4.5P | 6.0 | 4.9 | 3 |
| M10 | 1.5 | 100 | 24 | 4.5P | 7.0 | 5.5 | 3/4 |
| M12 | 1.75 | 110 | 29 | 4.5P | 9.0 | 7.0 | 4 |
| M14 | 2.0 | 110 | 30 | 4.5P | 11.0 | 9.0 | 4 |
| M16 | 2.0 | 110 | 32 | 4.5P | 12.0 | 9.0 | 4 |
| M18 | 2.5 | 125 | 34 | 4.5P | 14.0 | 11.0 | 4 |
| M20 | 2.5 | 140 | 34 | 4.5P | 16.0 | 12.0 | 4 |
| M22 | 2.5 | 140 | 34 | 4.5P | 18.0 | 14.5 | 4 |
| M24 | 3.0 | 160 | 38 | 4.5P | 18.0 | 14.5 | 4 |
| M27 | 3.0 | 160 | 38 | 4.5P | 20.0 | 16.0 | 4 |
| M30 | 3.5 | 180 | 45 | 4.5P | 22.0 | 18.0 | 4 |


| Thread Size | TYPE | Pitch | L Overall length |
l Thread Length |
l1 Cutting Length |
ln Length to neck |
d₀ Shank diameter |
K Square size |
FLUTES |
| M3 | 1 | 0.5 | 56 | 11 | 2.5P | 18 | 3.5 | 2.7 | 3 |
| M4 | 1 | 0.7 | 63 | 13 | 2.5P | 21 | 4.5 | 3.4 | 3 |
| M5 | 1 | 0.8 | 70 | 16 | 2.5P | 25 | 6.0 | 4.9 | 3 |
| M6 | 1 | 1.0 | 80 | 19 | 2.5P | 30 | 6.0 | 4.9 | 3 |
| M8 | 2 | 1.25 | 90 | 22 | 2.5P | 36 | 8.0 | 6.2 | 3 |
| M10 | 2 | 1.5 | 100 | 24 | 2.5P | 39 | 10.0 | 8.0 | 3 |


| Thread Size | Pitch | L Overall length |
l Thread Length |
l1 Cutting Length |
d₀ Shank diameter |
K Square size |
FLUTES |
| M8 | 1.25 | 90 | 22 | 2.5P | 6.0 | 4.9 | 3 |
| M10 | 1.5 | 100 | 24 | 2.5P | 7.0 | 5.5 | 3 |
| M12 | 1.75 | 110 | 29 | 2.5P | 9.0 | 7.0 | 3 |
| M14 | 2.0 | 110 | 30 | 2.5P | 11.0 | 9.0 | 3/4 |
| M16 | 2.0 | 110 | 32 | 2.5P | 12.0 | 9.0 | 3/4 |
| M18 | 2.5 | 125 | 34 | 2.5P | 14.0 | 11.0 | 4 |
| M20 | 2.5 | 140 | 34 | 2.5P | 16.0 | 12.0 | 4 |
| M22 | 2.5 | 140 | 34 | 2.5P | 18.0 | 14.5 | 4 |
| M24 | 3.0 | 160 | 38 | 2.5P | 18.0 | 14.5 | 4 |
| M27 | 3.0 | 160 | 38 | 2.5P | 20.0 | 16.0 | 4 |
| M30 | 3.5 | 180 | 45 | 2.5P | 22.0 | 18.0 | 4 |


| Thread Size | TYPE | Pitch | L Overall length |
l Thread Length |
l1 Cutting Length |
ln Length to neck |
d₀ Shank diameter |
K Square size |
FLUTES |
| M3 | 1 | 0.5 | 56 | 11 | 5.5P | 18 | 3.5 | 2.7 | 3 |
| M4 | 1 | 0.7 | 63 | 13 | 5.5P | 21 | 4.5 | 3.4 | 3 |
| M5 | 1 | 0.8 | 70 | 16 | 5.5P | 25 | 6.0 | 4.9 | 3 |
| M6 | 1 | 1.0 | 80 | 19 | 5.5P | 30 | 6.0 | 4.9 | 3 |
| M8 | 2 | 1.25 | 90 | 22 | 5.5P | 36 | 8.0 | 6.2 | 3 |
| M10 | 2 | 1.5 | 100 | 24 | 5.5P | 39 | 10.0 | 8.0 | 3 |


| Thread Size | Pitch | L Overall length |
l Thread Length |
l1 Cutting Length |
ln Length to neck |
d₀ Shank diameter |
K Square size |
FLUTES |
| M8 | 1.25 | 90 | 22 | 5.5P | 6.0 | 4.9 | 3 | |
| M10 | 1.5 | 100 | 24 | 5.5P | 7.0 | 5.5 | 3 | |
| M12 | 1.75 | 110 | 29 | 5.5P | 9.0 | 7.0 | 3 | |
| M14 | 2.0 | 110 | 30 | 5.5P | 11.0 | 9.0 | 3/4 | |
| M16 | 2.0 | 110 | 32 | 5.5P | 12.0 | 9.0 | 3/4 | |
| M18 | 2.5 | 125 | 34 | 5.5P | 14.0 | 11.0 | 4 | |
| M20 | 2.5 | 140 | 34 | 5.5P | 16.0 | 12.0 | 4 | |
| M22 | 2.5 | 140 | 34 | 5.5P | 18.0 | 14.5 | 4 | |
| M24 | 3.0 | 160 | 38 | 5.5P | 18.0 | 14.5 | 4 | |
| M27 | 3.0 | 160 | 38 | 5.5P | 20.0 | 16.0 | 4 | |
| M30 | 3.5 | 180 | 45 | 5.5P | 22.0 | 18.0 | 4 |


| Thread Size | TYPE | Pitch | L Overall length |
l Thread Length |
l1 Cutting Length |
ln Length to neck |
d₀ Shank diameter |
K Square size |
FLUTES |
| M3 | 1 | 0.5 | 56 | 11 | 4P | 18 | 3.5 | 2.7 | 4 |
| M4 | 1 | 0.7 | 63 | 13 | 4P | 21 | 4.5 | 3.4 | 4 |
| M5 | 1 | 0.8 | 70 | 16 | 4P | 25 | 6.0 | 4.9 | 4 |
| M6 | 1 | 1.0 | 80 | 19 | 4P | 30 | 6.0 | 4.9 | 4 |
| M8 | 2 | 1.25 | 90 | 22 | 4P | 36 | 8.0 | 6.2 | 4 |
| M10 | 2 | 1.5 | 100 | 24 | 4P | 39 | 10.0 | 8.0 | 4 |


| Thread Size | Pitch | L Overall length |
l Thread Length |
l1 Cutting Length |
d₀ Shank diameter |
K Square size |
FLUTES |
| M8 | 1.25 | 90 | 22 | 4P | 6.0 | 4.9 | 4 |
| M10 | 1.5 | 100 | 24 | 4P | 7.0 | 5.5 | 4 |
| M12 | 1.75 | 110 | 29 | 4P | 9.0 | 7.0 | 4 |
| M14 | 2.0 | 110 | 30 | 4P | 11.0 | 9.0 | 6 |
| M16 | 2.0 | 110 | 32 | 4P | 12.0 | 9.0 | 8 |
| M18 | 2.5 | 125 | 34 | 4P | 14.0 | 11.0 | 8 |
| M20 | 2.5 | 140 | 34 | 4P | 16.0 | 12.0 | 8 |
| M22 | 2.5 | 140 | 34 | 4P | 18.0 | 14.5 | 8 |
| M24 | 3.0 | 160 | 38 | 4P | 18.0 | 14.5 | 8 |
| M27 | 3.0 | 160 | 38 | 4P | 20.0 | 16.0 | 8 |
| M30 | 3.5 | 180 | 45 | 4P | 22.0 | 18.0 | 8 |